Category

Liregus Superior black

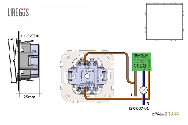
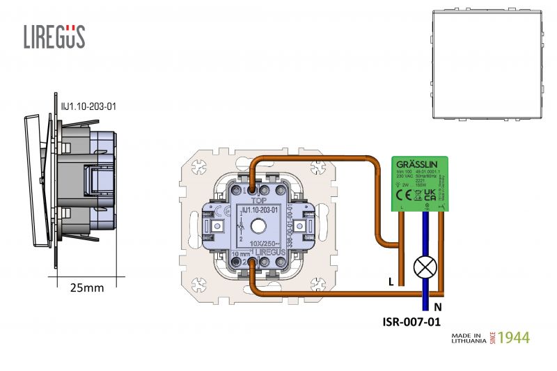
LED švies.stipr. impuls. regul. kompl. "Lead edge" 7.5-105W smėlio sp.b/r

ISR-007-01.S/SM

 

Similar products