Kategorija
"Retro" kreminė matinė spalva (~NCS S 2005-Y50R)
LED švies.stipr.impuls.regul."Retro"kompl. 2-150W.kreminė matinė spalva b/r
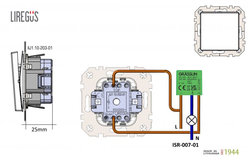
ISR-007-01.R/ONCŠviesos reguliatorius, valdomas vieno klavišo impulsiniu jungikliu ( 2-jų gaminių komplektas: Impulsinis jungiklis + reguliavimo modulis)
Gaminio savybės:
- tinkamas montuoti pagilintose instaliacinėse dėžutėse (MD-2), už lempų ar kitų valdomų gaminių, taip pat šviestuvų korpusuose;
- valdomas vieno ar dviejų klavišų impulsiniu jungikliais, o taip pat keliais impulsiniais jungikliais (jungiama paraleliai, pagal schemą);
- labai maža minimali apkrova - 2,0W;
- “minkštas startavimas” lempų tausojimui;
- paskutinio nustatymo atmintis;
- “self reset” funkcija, modulio apsaugai: viršįtampis, temperatūrinis šuolis, trumpas jungimasis;
- reguliatorius neskirtas valdyti 12V ir 24V LED juostų.
- jei norite valdyti LED paneles, ši informacija apie suderinamumą Jums pravers.
Gaminiui taikoma 12mėn. gamintojo garantija, kuri skaičiuojama nuo gaminio įsigyjimo datos (tai patvirtina įsigyjimo dokumentas: kasos čekis ar s/f). Jei tokio dokumento nėra, gaminiui taikoma garantija skaičiuojama nuo gaminio gamybos datos, kuri išgraviruota ant gaminio metalinės plokštelės (atramos kurioje pažymėti metai ir mėnuo).
Papildoma prekė, norint šviesos stiprumą reguliuoti iš kelių vietų: IIJ1.10-203-01.R/ONC
EN 60617: 11-14-08













